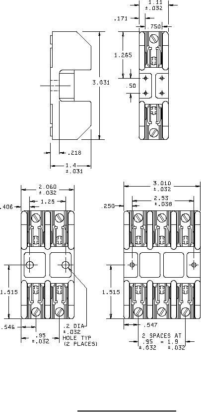
A-A-55168 Fuseholder, Block, Class H, 30 Ampere, 250 V Ac, One, Two, And Three PoleThis commercial item description \(CID\) covers the general requirements for one, two, and three pole, class H type fuseholder blocks. Fuseholders covered by this CID are intended for commercial/industrial applications.