
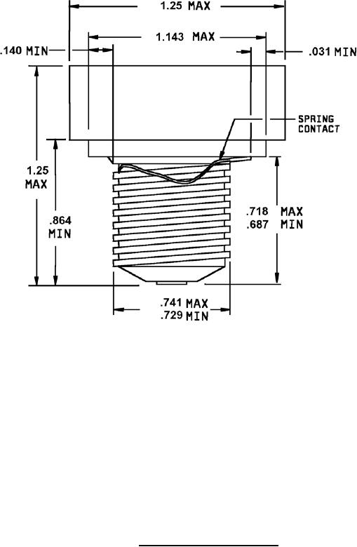
A-A-55472D
Inches
mm
Inches
mm
.031
0.8
.741
18.82
.140
3.6
.864
21.95
.687
17.5
1.143
29.03
.718
18.3
1.25
31.80
.729
18.52
NOTES:
1. Dimensions are in inches.
2. Tolerance is ±.005 inch (0.13 mm), unless otherwise specified.
3. This item was designed using inch-pound units of measurement. In case of problems involving
conflicts between the metric and inch-pound units, the inch-pound units shall rule.
FIGURE 1. Configuration and dimensions.
2
For Parts Inquires call Parts Hangar, Inc (727) 493-0744
© Copyright 2015 Integrated Publishing, Inc.
A Service Disabled Veteran Owned Small Business