
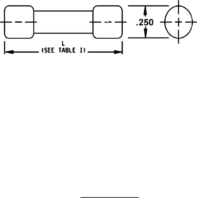
A-A-55476D
Inches
mm
.250
6.35
NOTES:
1. Dimensions are in inches.
2. Tolerance is ±.005 inch (0.13 mm), unless otherwise specified.
FIGURE 1. Configuration and dimensions.
2
For Parts Inquires call Parts Hangar, Inc (727) 493-0744
© Copyright 2015 Integrated Publishing, Inc.
A Service Disabled Veteran Owned Small Business