
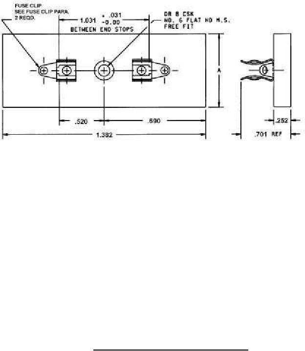
A-A-55518/1A
Inches
mm
.031
0.80
.252
6.40
.520
13.20
.690
17.50
.701
17.80
1.031
26.20
1.382
35.10
NOTES:
1. Dimensions are in inches.
2. Tolerance is ±.005 inch (0.13 mm), unless otherwise specified.
3. The following notes apply to width A of the fuseholders (see table I).
a. The longitudinal centerline of the outer pairs of fuse clips shall be located .25 inch (6.4 mm) from
the edge of the fuseholder block.
b. The distance between longitudinal centerlines of adjacent pairs of fuse clips shall be .62 inch
(15.7 mm).
c. A minimum of two mounting holes shall be provided on multiple pole fuseholders. These holes
shall be one each centrally located between the fuse clips on the longitudinal centerline of the
outer pairs of fuse clips.
FIGURE 1. Configuration and dimensions (screw terminals).
2