
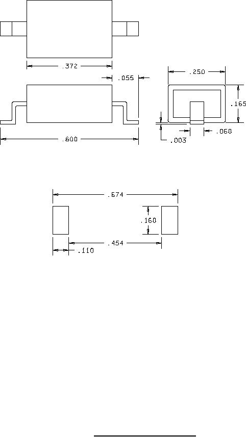
A-A-55561/2B
SMF CONFIGURATION
("GULL WING" SURFACE MOUNT)
RECOMMENDED PAD LAYOUT
CONFIGURATION S
Inches
mm
Inches
mm
.003
0.08
.250
6.35
.055
1.40
.372
9.45
.060
1.52
.454
11.53
.110
2.79
.600
15.24
.160
4.06
.674
17.12
.165
4.19
NOTES:
1. Dimensions are in inches.
2. Tolerance is ±.005 inch(0.13 mm), unless otherwise specified.
FIGURE 2. Configuration and dimensions.
3