emilspec
An Integrated Publishing, Inc. Site
eMilSpec
An Integrated Publishing Website
MIL-DTL-24646-14 Fuse Boxes, Feeder Junction, Totally Enclosed, 250 Volts, Alternating Current, Three Phase Buses, Single And Three Phase Branches, 0-30 And 31-60 Ampere Fuses, Symbols 680 And 681.1
Pages
1
-
2
-
3
-
4
-
5
-
6
-
7
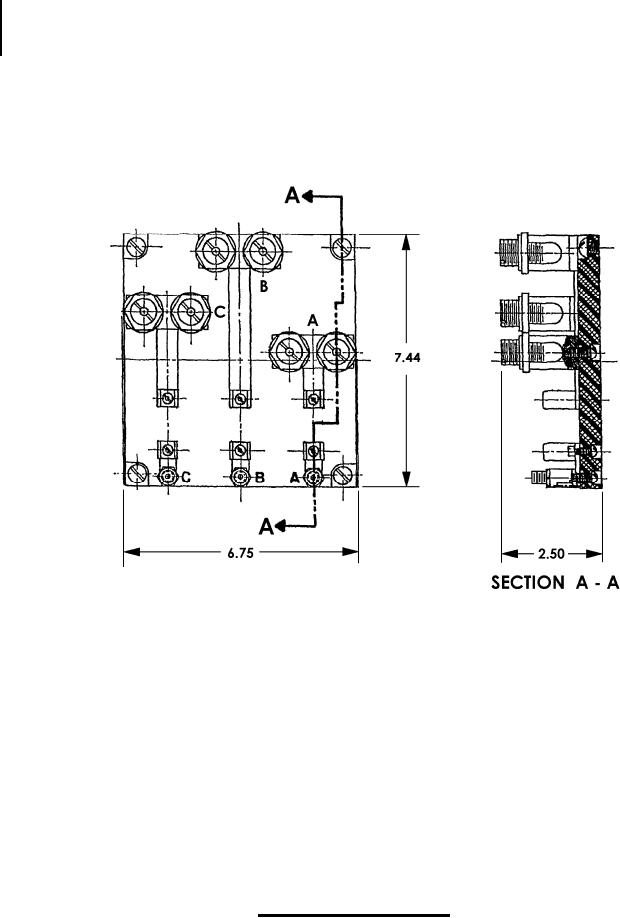
MIL-DTL-24646/14B
FIGURE 4. Fuse
block assembly, typical. Item No. 05, 06
(Symbols 680 and 681.1)
4