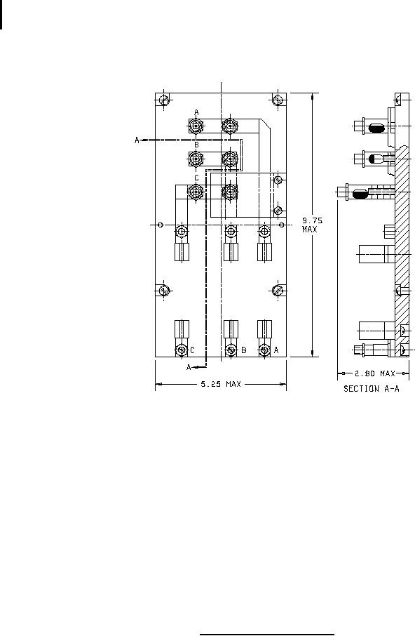
MIL-DTL-24646-17 Fuse Boxes, Feeder Junction, Submersible, \(15 Feet\), 500 Volts, Alternating Current, Three Phase Buses, 0-30 Ampere Fuses Symbols 693.1