
MIL-DTL-24646/18B
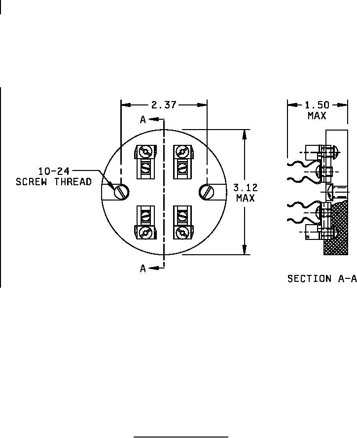
Fuse clip shall be installed in the orientation shown.
FIGURE 4. Fuse block assembly, typical. Item No. 03
(Symbols 671.1)
4
For Parts Inquires call Parts Hangar, Inc (727) 493-0744
© Copyright 2015 Integrated Publishing, Inc.
A Service Disabled Veteran Owned Small Business