
MIL-DTL-9129/9A
Inches
mm
Ltr
Min
Max
Min
Max
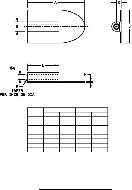
A
---
1.99
---
50.5
B
---
3.25
---
82.6
C
.177
.197
4.50
5.00
D
---
1.15
---
29.2
E
1.08
1.12
27.4
28.4
F
.0198
.0218
0.503
0.554
G
.1635
.1660
4.153
4.216
H
.02
.06
0.5
1.5
NOTES:
1. Dimensions are in inches.
2. Metric equivalents are given for general information only.
3. Unless otherwise specified, tolerances are .02 (0.51 mm) for two places decimals and
.010 (0.25 mm) for three place decimals.
FIGURE 7. Dimensions and configuration for PIN M9129/09-07.
7
For Parts Inquires call Parts Hangar, Inc (727) 493-0744
© Copyright 2015 Integrated Publishing, Inc.
A Service Disabled Veteran Owned Small Business