
INCH-POUND
MIL-PRF-15160/10H
15 October 2008
SUPERSEDING
MIL-PRF-15160/10G
7 July 2006
PERFORMANCE SPECIFICATION SHEET
FUSES, INSTRUMENT, POWER, AND TELEPHONE
(NONINDICATING), STYLE F10
This specification is approved for use by all Departments
and Agencies of the Department of Defense.
The requirements for acquiring the product described herein
shall consist of this specification sheet and MIL-PRF-15160.
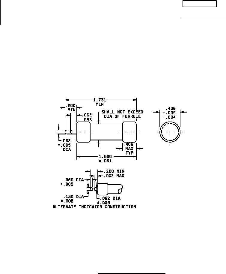
Inches
mm
Inches
mm
0.004
0.10
0.130
3.30
0.005
0.13
0.200
5.08
0.031
0.79
0.406
10.31
0.050
1.27
1.500
38.10
0.062
1.57
1.731
43.97
NOTES:
1. Dimensions are in inches.
2. Metric equivalents are given for general information only.
FIGURE 1. Style F10, characteristics A and B.
AMSC N/A
FSC 5920
For Parts Inquires call Parts Hangar, Inc (727) 493-0744
© Copyright 2015 Integrated Publishing, Inc.
A Service Disabled Veteran Owned Small Business