
INCH-POUND
MIL-PRF-15160/2H
15 October 2008
SUPERSEDING
MIL-PRF-15160/2G
7 July 2006
PERFORMANCE SPECIFICATION SHEET
FUSES, INSTRUMENT, POWER, AND TELEPHONE
(NONINDICATING), STYLE F02
This specification is approved for use by all Departments
and Agencies of the Department of Defense.
The requirements for acquiring the product described herein
shall consist of this specification sheet and MIL-PRF-15160.
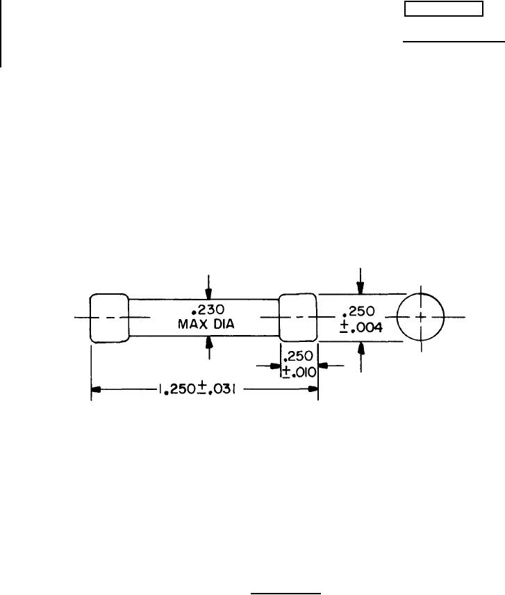
Inches
mm
0.004
0.10
0.010
0.25
0.031
0.79
0.230
5.84
0.250
6.35
1.250
31.75
NOTES:
1. Dimensions are in inches.
2. Metric equivalents are given for general information only.
FIGURE 1. Style F02, fuse.
AMSC N/A
FSC 5920
For Parts Inquires call Parts Hangar, Inc (727) 493-0744
© Copyright 2015 Integrated Publishing, Inc.
A Service Disabled Veteran Owned Small Business