
INCH-POUND
MIL-PRF-15160/40C
15 October 2008
SUPERSEDING
MIL-PRF-15160/40B
17 August 2006
PERFORMANCE SPECIFICATION SHEET
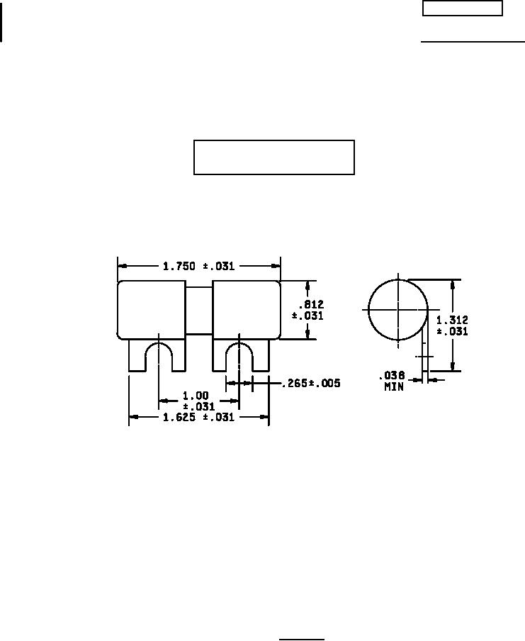
FUSES, STYLE F40
INACTIVE FOR NEW DESIGN
AFTER 27 DECEMBER 1990
This specification is approved for use by all Departments
and Agencies of the Department of Defense.
The requirements for acquiring the product described herein
shall consist of this specification sheet and MIL-PRF-15160.
Inches
mm
.005
0.13
.031
0.78
.038
1.19
.265
6.73
.812
20.62
1.00
25.4
1.312
33.32
1.625
41.28
1.750
44.45
NOTES:
1. Dimensions are in inches.
2. Metric equivalents are given for general information only.
3. Unless otherwise specified, tolerances are ±.005 (0.13 mm) for three place decimals and ±.02
(0.5 mm) for two place decimals.
FIGURE 1. Style F40.
AMSC N/A
FSC 5920
For Parts Inquires call Parts Hangar, Inc (727) 493-0744
© Copyright 2015 Integrated Publishing, Inc.
A Service Disabled Veteran Owned Small Business