
INCH-POUND
MIL-PRF-15160/50D
15 November 2011
SUPERSEDING
MIL-PRF-15160/50C
17 August 2006
PERFORMANCE SPECIFICATION SHEET
FUSES: INSTRUMENT, POWER, AND TELEPHONE
(NONINDICATING), STYLE F50
This specification is approved for use by all Departments
and Agencies of the Department of Defense.
The requirements for acquiring the product described herein
shall consist of this specification sheet and MIL-PRF-15160.
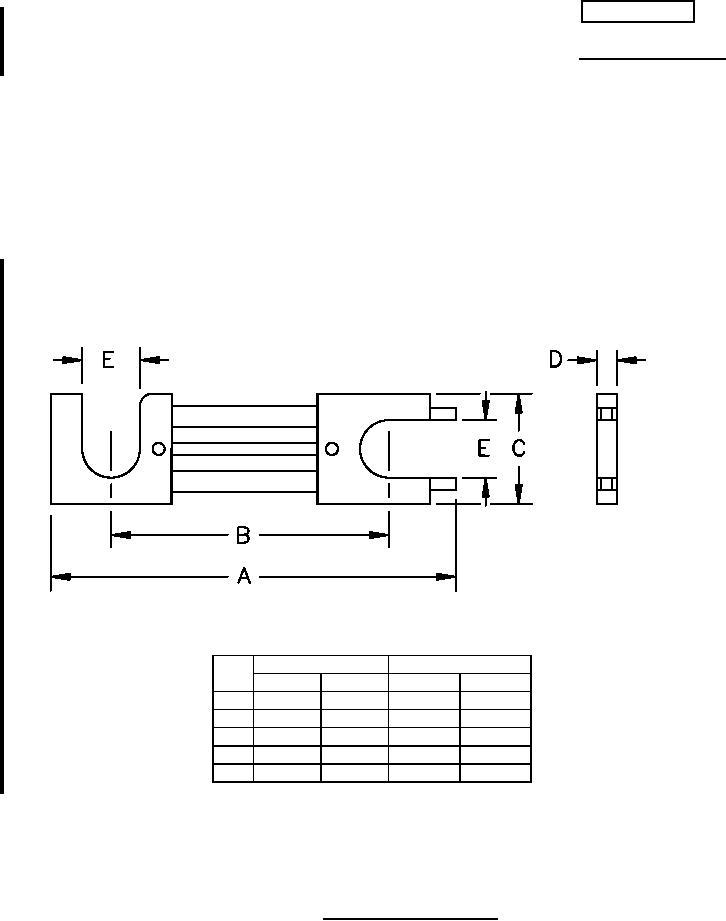
Inches
mm
Ltr
Min
Max
Min
Max
A
1.390
1.422
35.31
36.12
B
.921
.953
23.39
24.21
C
.390
.422
9.91
10.72
D
.015
.047
0.38
1.19
E
.187
.219
4.75
5.56
NOTES:
1. Dimensions are in inches.
2. Metric equivalents are given for general information only.
FIGURE 1. Style F50, characteristic A.
AMSC N/A
FSC 5920
For Parts Inquires call Parts Hangar, Inc (727) 493-0744
© Copyright 2015 Integrated Publishing, Inc.
A Service Disabled Veteran Owned Small Business