
INCH-POUND
MIL-PRF-15160/77C
2 November 2011
SUPERSEDING
MIL-PRF-15160/77B
17 August 2006
PERFORMANCE SPECIFICATION SHEET
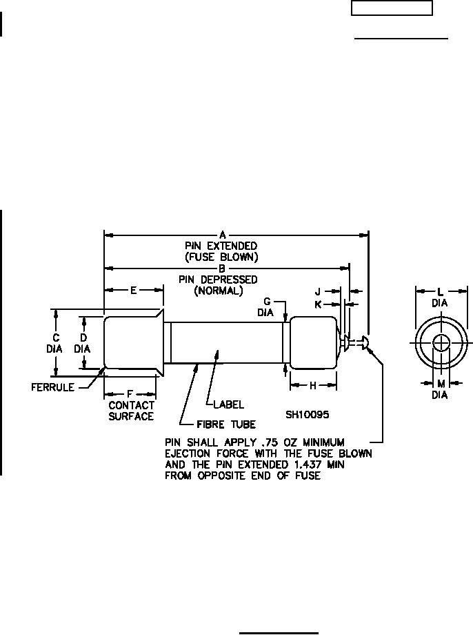
FUSES, (INDICATING), STYLE F77A
This specification is approved for use by all Departments
and Agencies of the Department of Defense.
The requirements for acquiring the product described herein
shall consist of this specification sheet and MIL-PRF-15160.
FIGURE 1. Style F77A fuses.
AMSC N/A
FSC 5920
For Parts Inquires call Parts Hangar, Inc (727) 493-0744
© Copyright 2015 Integrated Publishing, Inc.
A Service Disabled Veteran Owned Small Business