
INCH POUND
MIL-PRF-19207/12G
12 December 2013
SUPERSEDING
MIL-PRF-19207/12F
24 April 2007
PERFORMANCE SPECIFICATION SHEET
FUSEHOLDERS, EXTRACTOR POST TYPE, BLOWN FUSE INDICATING,
TYPE FHL22W
This specification is approved for use by all Departments
and Agencies of the Department of Defense.
The requirements for acquiring the product described herein
shall consist of this specification sheet and MIL-PRF-19207.
See notes on page 2.
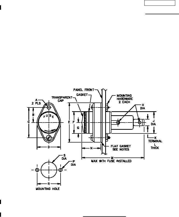
FIGURE 1. Type FHL22W fuseholder.
AMSC N/A
FSC 5920
For Parts Inquires call Parts Hangar, Inc (727) 493-0744
© Copyright 2015 Integrated Publishing, Inc.
A Service Disabled Veteran Owned Small Business