
INCH-POUND
MIL-PRF-19207/19N
9 January 2014
SUPERSEDING
MIL-PRF-19207/19M
14 July 2009
PERFORMANCE SPECIFICATION SHEET
FUSEHOLDERS, EXTRACTOR POST TYPE,
BLOWN FUSE INDICATING, TYPE FHL30G
This specification is approved for use by all Departments
and Agencies of the Department of Defense.
The requirements for acquiring the product described herein
shall consist of this specification sheet and MIL-PRF-19207.
Ltr
Inches
mm
Ltr
Inches
mm
Min
Max
Min
Max
Min
Max
Min
Max
A
1.050
1.090
26.67
27.69
H
.151
.161
3.84
4.09
B
1.180
1.220
29.97
30.99
J
.432
.442
10.97
11.23
C
.870
.880
22.10
22.35
K
.870
.880
22.10
22.35
D
.200
.210
5.08
5.33
L
.055
.065
1.34
1.65
E
.969
.979
24.61
24.87
M
.810
.850
20.57
21.59
F
.370
.380
9.40
9.65
N
3.750
4.000
95.25
101.60
G
.745
.755
18.92
19.18
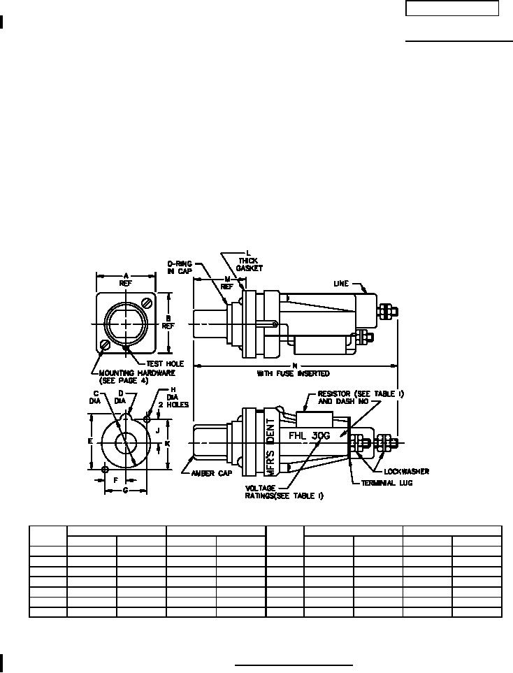
FIGURE 1. Type FHL30G fuseholder
AMSC N/A
FSC 5920
For Parts Inquires call Parts Hangar, Inc (727) 493-0744
© Copyright 2015 Integrated Publishing, Inc.
A Service Disabled Veteran Owned Small Business