
MIL-PRF-19207/25G
Ltr
Inches
mm
Ltr
Inches
mm
Min
Max
Min
Max
Min
Max
Min
Max
A
.088
.098
2.24
2.49
P
.027
.037
.69
.94
B
.780 (REF)
19.81 (REF)
R
.026
.036
.66
.91
C
1.59 (REF)
40.39 (REF)
S
.877
.887
22.28
22.53
D
1.100
1.140
27.94
28.96
T
.813
.823
20.65
20.90
E
.860
.900
21.84
22.86
U
1.120
1.130
28.45
28.70
F
.040
.080
1.02
2.03
V
.620
.630
15.75
16.00
G
.540
.580
13.72
14.73
W
.089
.099
2.26
2.51
H
1.350
1.390
34.29
35.31
X
.882
.887
22.40
22.53
J
2.690 (REF)
68.33 (REF)
Y
.820
.825
20.83
20.96
K
.380
.420
9.65
10.67
Z
.620
.630
15.75
16.00
L
.660 (REF)
16.76 (REF)
AA
.882
.887
22.40
22.53
M
---
.940
---
23.88
AB
.120
.130
3.05
3.30
N
.560 (REF)
14.22 (REF)
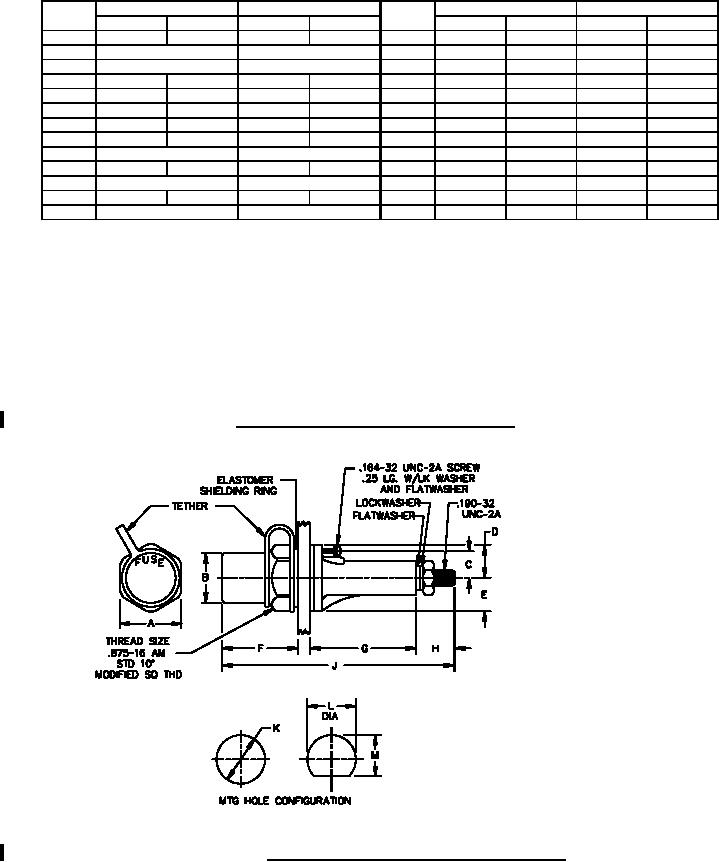
NOTES:
1. Dimensions are in inches.
2. Metric equivalents are given for general information only.
3. Unless otherwise specified, tolerances are ±0.02. (0.51 mm) for two place decimals and ±0.005
(0.13 mm) for three place decimals.
4. Cap thread shall be 9/16-27 NEF2 thread with full provisions for cap interchangeability.
5. Round hole mounting for replacement only. Use adapter washer for non-watertight applications.
6. The location (on the fuseholder body) of the manufacturer's identification and electrical rating is
optional.
FIGURE 1. Type FHN41W and FHN41WB fuseholder. - Continued.
See notes on next page.
FIGURE 2. Type FHN41WS and FHN41WBS fuseholder.
2
For Parts Inquires call Parts Hangar, Inc (727) 493-0744
© Copyright 2015 Integrated Publishing, Inc.
A Service Disabled Veteran Owned Small Business