
INCH-POUND
MIL-PRF-19207/36E
6 March 2014
SUPERSEDING
MIL-PRF-19207/36D
17 July 2007
PERFORMANCE SPECIFICATION SHEET
FUSEHOLDERS, EXTRACTOR POST TYPE, NONINDICATING,
R. F. SHIELDED, TYPE FHN55W
This specification is approved for use by all Departments
and Agencies of the Department of Defense
The requirements for acquiring the product described herein
shall consist of this specification sheet and MIL-PRF-19207.
Ltr
Inches
mm
Ltr
Inches
mm
Min
Max
Min
Max
Min
Max
Min
Max
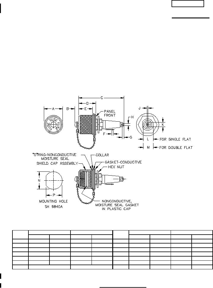
A
.870
.880
22.10
22.35
H
.100
---
2.54
---
B
---
.172
---
4.37
J
.030
.065
.76
1.65
C
---
2.500
---
6.35
K
.235
.300
5.97
7.62
D
---
1.000
---
25.40
L
.455
.465
11.56
11.81
E
.683
.765
17.35
19.43
M
.440
.452
11.18
11.48
F
.112
.125
2.84
3.18
N
.500
.510
12.70
12.95
G
.150 (REF)
3.81 (REF)
P
.468
.478
11.89
12.14
See notes on page 2.
FIGURE 1. Type FHN55W fuseholder.
AMSC N/A
FSC 5920
For Parts Inquires call Parts Hangar, Inc (727) 493-0744
© Copyright 2015 Integrated Publishing, Inc.
A Service Disabled Veteran Owned Small Business