
INCH-POUND
MIL-PRF-23419/12E
17 April 2012
SUPERSEDING
MIL-PRF-23419/12D
30 March 2006
PERFORMANCE SPECIFICATION SHEET
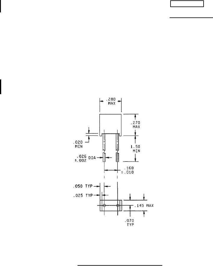
FUSES, INSTRUMENT TYPE, STYLE FM12
(SUBMINIATURE - HIGH PERFORMANCE)
This specification is approved for use by all Departments
and Agencies of the Department of Defense.
The requirements for acquiring the product described herein
shall consist of this specification sheet and MIL-PRF-23419.
Inches
mm
.002
0.05
.010
0.25
.020
0.51
.025
0.64
.026
0.66
.050
1.27
.070
1.78
.145
3.68
.160
4.06
.270
6.86
.280
7.11
1.50
38.1
NOTES:
1. Dimensions are in inches.
2. Metric equivalents are given for general information only.
3. Unless otherwise specified, tolerance is ±.01 (0.3 mm).
FIGURE 1. Style FM12 fuse (.026 inch diameter leads).
AMSC N/A
FSC 5920
For Parts Inquires call Parts Hangar, Inc (727) 493-0744
© Copyright 2015 Integrated Publishing, Inc.
A Service Disabled Veteran Owned Small Business