
MIL-DTL-24646/10B
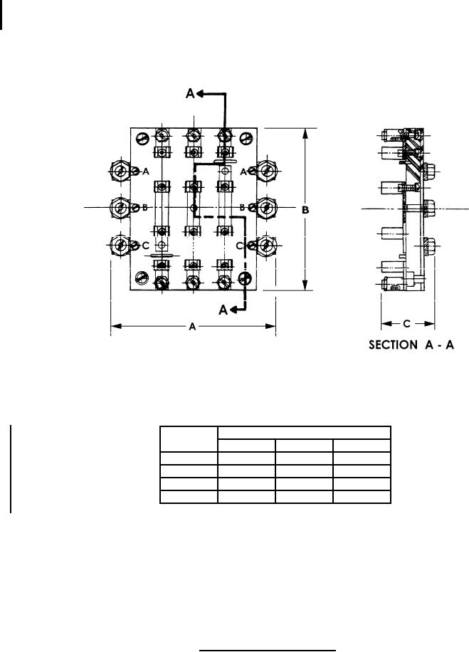
DIMENSIONS
SYMBOL
NO
A
B
C
560.1
7.37
7.12
2.70
561.1
11.86
7.12
2.80
562.1
16.37
7.12
2.70
563.1
7.86
7.12
2.80
FIGURE 4. Fuse block assembly, typical. 08, 09, 10, 11
(Symbols 560.1, 561.1, 562.1 and 563.1)
4
For Parts Inquires call Parts Hangar, Inc (727) 493-0744
© Copyright 2015 Integrated Publishing, Inc.
A Service Disabled Veteran Owned Small Business