
MIL-DTL-24646/6C
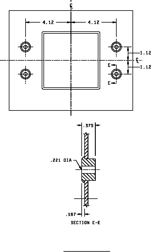
FIGURE 4. Cover assembly, typical.
(Symbols 602, 603, 604, 605, 606, 615, 616, 617 and 618)
4
For Parts Inquires call Parts Hangar, Inc (727) 493-0744
© Copyright 2015 Integrated Publishing, Inc.
A Service Disabled Veteran Owned Small Business