emilspec
An Integrated Publishing, Inc. Site
eMilSpec
An Integrated Publishing Website
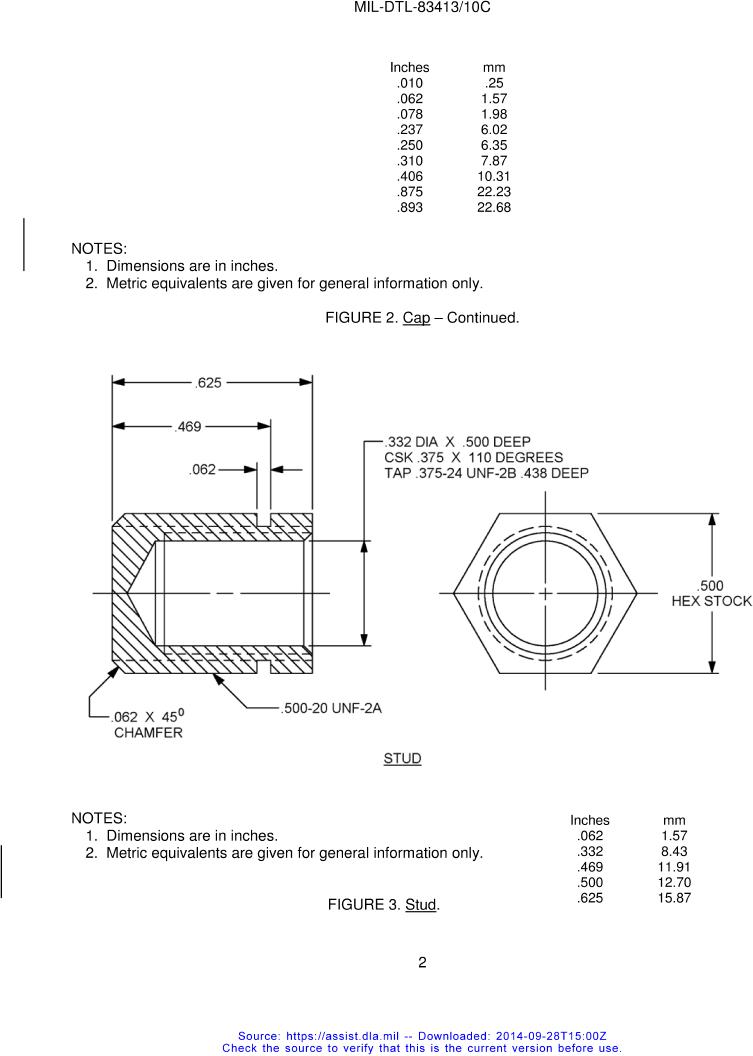
MIL-DTL-83413-10 Connectors And Assemblies, Electrical, Aircraft Grounding: Jumper Cable Assembly, Aircraft To Fuel Nozzle, Discharger, Electrostatic
Pages
1
-
2
-
3
-
4
For Parts Inquires call
Parts Hangar, Inc
(727) 493-0744
© Copyright 2015 Integrated Publishing, Inc.
A Service Disabled Veteran Owned Small Business