
INCH-POUND
MIL-PRF-19207/17H
13 March 2012
SUPERSEDING
MIL-PRF-19207/17G
26 April 2005
PERFORMANCE SPECIFICATION SHEET
FUSEHOLDERS, EXTRACTOR POST TYPE,
NONINDICATING, NON-EMI/RFI SHIELDED AND EMI/RFI SHIELDED
TYPES FHN28W, FHN28WS, FHN28WB, AND FHN28WBS
This specification is approved for use by all Departments
and Agencies of the Department of Defense.
The requirements for acquiring the product described herein
shall consist of this specification sheet and MIL-PRF-19207.
Inches
mm
Inches
mm
Inches
mm
Inches
mm
Inches
mm
.005
0.13
.25
6.35
.56
14.22
.625
15.88
.906
23.01
.031
0.79
.290
7.37
.590
14.99
.635
16.13
.94
23.88
.032
0.81
.38
9.65
.600
15.24
.69
17.53
1.06
26.92
.093
2.36
.47
11.94
.610
15.49
.75
19.10
1.16
29.46
.125
3.18
.500
12.70
.62
15.75
.88
22.35
2.37
60.20
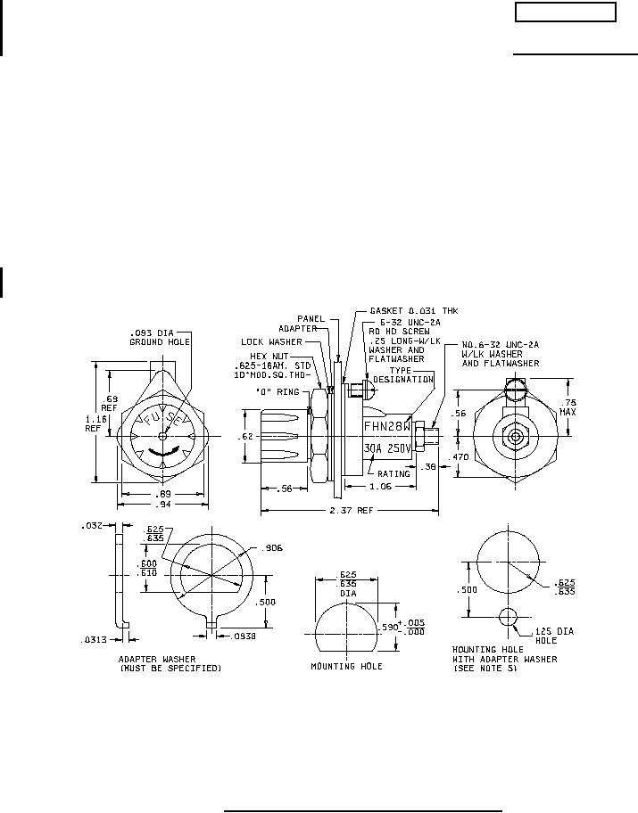
FIGURE 1. Type FHN28W and type FHN28WB fuseholder.
AMSC N/A
FSC 5920
For Parts Inquires call Parts Hangar, Inc (727) 493-0744
© Copyright 2015 Integrated Publishing, Inc.
A Service Disabled Veteran Owned Small Business