
MIL-PRF-19207/17H
NOTES:
1. Dimensions are in inches.
2. Metric equivalents are given for general information only.
3. Unless otherwise specified, tolerances are ±0.02 (0.51 mm) for two-place decimals and ±0.005
(0.13 mm) for three-place decimals.
4. Cap thread shall be 3/8-32NEF2 and provide for cap interchangeability.
5. Round hole mounting for replacement only. Use adapter washer for nonwatertight and non EMI/RFI
applications only.
6. Marking: In addition to other required marking, the manufacturer's identification, the type
designation, and the current and voltage rating shall appear on the fuseholder body but the location
of each is optional.
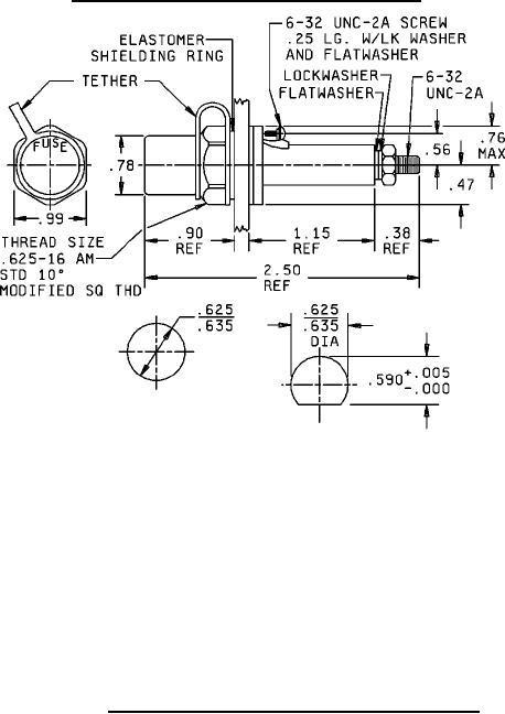
FIGURE 1. Type FHN28W and Type FHN28WB fuseholder. - Continued.
Inches
mm
Inches
mm
Inches
mm
.005
0.13
.56
14.22
.78
19.81
.190
4.83
.590
14.99
.90
22.86
.25
6.35
.625
15.88
.99
25.15
.38
9.65
.635
16.13
1.15
29.21
.47
11.94
.76
19.30
2.50
63.50
NOTES:
1. Dimensions are in inches.
2. Metric equivalents are given for general information only.
3. Unless otherwise specified, tolerances are ±0.02 (0.51 mm) for two-place decimals and ±0.005
(0.13 mm) for three-place decimals.
4. Cap thread shall be 3/8-32NEF2 and provide for cap interchangeability.
FIGURE 2. Type FHN28WS and Type FHN28WBS fuseholder.
2
For Parts Inquires call Parts Hangar, Inc (727) 493-0744
© Copyright 2015 Integrated Publishing, Inc.
A Service Disabled Veteran Owned Small Business