
MIL-PRF-19207/18K
Ltr
Inches
mm
Ltr
Inches
mm
Min
Max
Min
Max
Min
Max
Min
Max
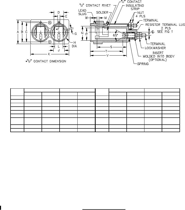
A
1.177
1.197
29.90
30.40
K
1.802
1.822
45.77
46.28
B
.950
.960
24.13
24.38
L
. 360
.370
9.15
9.40
C
.933
.943
23.70
23.95
M
.140
.160
3.56
4.06
D
.435
. 445
11.05
11.30
N
.695
.705
17.65
17.91
E
.188
.198
4.78
5.03
P
.565
.605
14.35
15.37
F
.385
.395
9.78
10.03
R
.140
.190
3.56
4.83
G
.125
---
6.35
---
S
1.675
---
42.55
---
(TYP)
(TYP)
H
.805
.860
20.45
21.84
T
1.950
2.050
49.53
52.07
J
.435
.445
11.05
11.30
V
2.105
2.155
53.47
54.74
See notes at end of figures.
FIGURE 2. Body for FHL29G fuseholder.
2
For Parts Inquires call Parts Hangar, Inc (727) 493-0744
© Copyright 2015 Integrated Publishing, Inc.
A Service Disabled Veteran Owned Small Business