
INCH-POUND
MIL-PRF-19207/3K
5 December 2013
SUPERSEDING
MIL-PRF-19207/3J
21 April 2009
PERFORMANCE SPECIFICATION SHEET
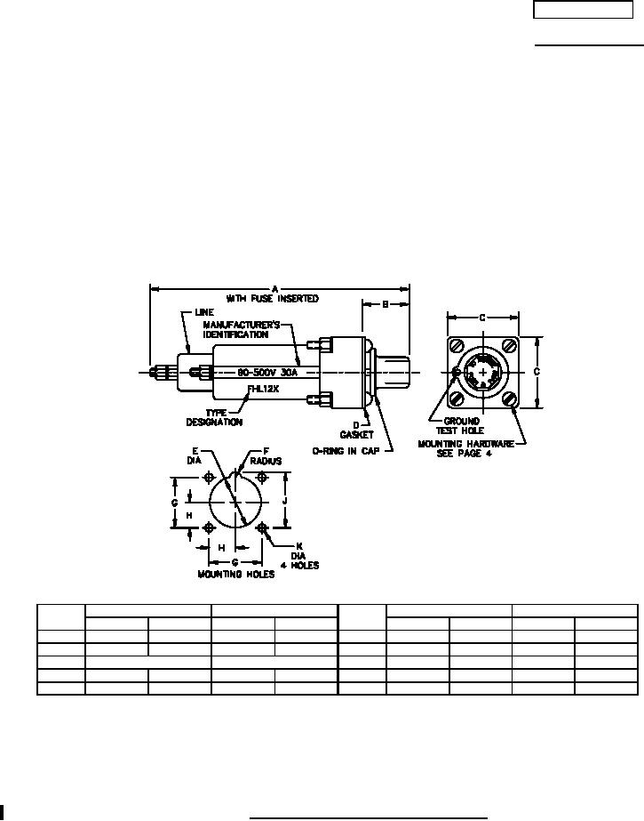
FUSEHOLDERS, EXTRACTOR POST TYPE,
BLOWN FUSE INDICATING, TYPES FHL12U AND FHL12G
This specification is approved for use by all Departments
and Agencies of the Department of Defense
The requirements for acquiring the product described herein
shall consist of this specification sheet and MIL-PRF-19207.
Ltr
Inches
mm
Ltr
Inches
mm
Min
Max
Min
Max
Min
Max
Min
Max
A
4.000
4.250
101.60
107.95
F
.140
.150
3.56
3.81
B
---
.875
---
22.23
G
1.057
1.067
26.85
27.10
C
1.380 (REF)
35.05 (REF)
H
.526
.536
13.36
13.61
D
.055
.065
1.40
1.65
J
1.225
1.235
31.12
31.37
E
1.140
1.150
28.96
29.21
K
.151
.161
3.84
4.09
NOTES:
1. Dimensions are in inches.
2. Metric equivalents are given for general information only.
3. Unless otherwise specified, tolerances are ±.005 (0.13 mm) for three place decimals and ±.02
(0.5 mm) for two place decimals.
FIGURE 1. Type FHL12U and type FHL12G fuseholders.
AMSC N/A
FSC 5920
For Parts Inquires call Parts Hangar, Inc (727) 493-0744
© Copyright 2015 Integrated Publishing, Inc.
A Service Disabled Veteran Owned Small Business