
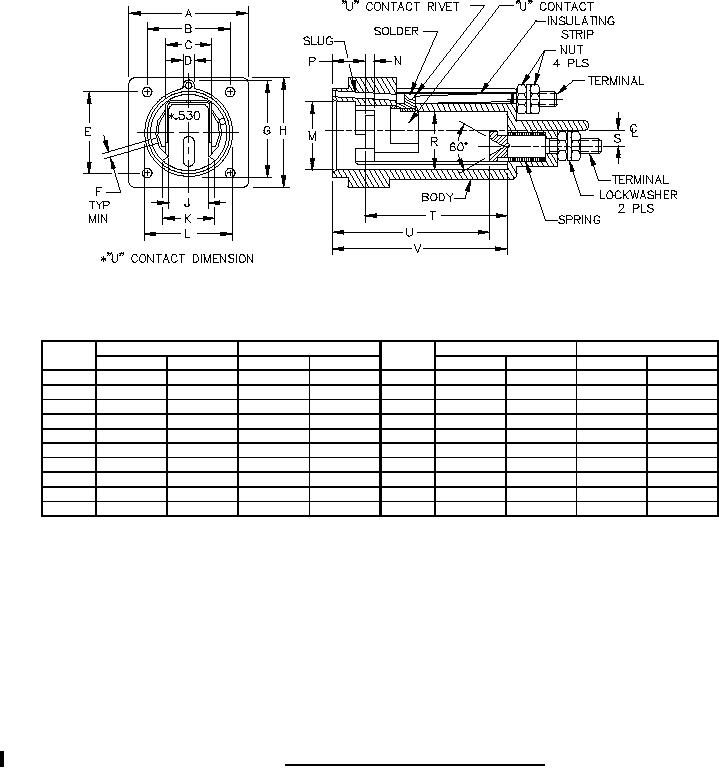
MIL-PRF-19207/3K
Ltr
Inches
mm
Ltr
Inches
mm
Min
Max
Min
Max
Min
Max
Min
Max
A
1.365
1.385
34.67
35.18
L
1.125
1.135
28.58
28.83
B
1.057
1.067
26.85
27.10
M
.955
.965
24.26
24.51
C
.585
.959
14.86
15.11
N
.140
.160
3.56
4.06
D
.240
.250
6.10
6.35
P
.370
.410
9.40
10.41
E
1.057
1.067
26.85
27.10
R
.805
.845
20.45
21.46
F
.125
---
3.18
---
S
.225
.275
5.72
6.99
G
1.200
1.210
30.48
30.73
T
1.990
---
50.55
---
H
1.365
1.385
34.67
35.18
U
2.260
2.360
57.40
59.94
J
.505
.515
12.83
13.08
V
2.400
2.460
60.96
62.48
K
.590
.600
14.99
15.24
NOTES:
1. Dimensions are in inches.
2. Metric equivalents are given for general information only.
3. Unless otherwise specified, tolerances are ±.005 (0.13 mm) for three place decimals and ±.02
(0.5 mm) for two place decimals.
FIGURE 2. Body for FHL12U and FHL12G fuseholders.
2
For Parts Inquires call Parts Hangar, Inc (727) 493-0744
© Copyright 2015 Integrated Publishing, Inc.
A Service Disabled Veteran Owned Small Business