
MIL-PRF-19207/38E
Ltr
Inches
mm
Ltr
Inches
mm
Min
Max
Min
Max
Min
Max
Min
Max
A
.700
.710
17.78
18.03
R
.695
.715
17.65
19.08
B
.670
.690
17.02
17.53
S
.050
.080
1.27
2.03
C
.560
.570
14.22
14.48
T
.245
.255
6.22
6.48
E
.245
.255
6.22
6.48
U
.510
.540
12.95
13.72
F
.011
.017
.27
.43
V
.170
.180
4.32
4.57
G
.125
.135
3.18
3.43
W
.520
.540
13.21
13.72
H
.098 (REF)
2.49 (REF)
X
.410
.425
10.41
10.80
J
2.925
2.975
74.30
75.57
Y
.640
.650
16.26
16.51
K
---
1.875
---
47.63
Z
---
.120
---
3.05
L
---
.085
---
2.16
AA
.340
.360
8.64
9.14
M
.315
.355
8.00
9.02
AB
.290
.310
7.37
7.87
N
.013
.027
.33
.69
AC
.010
---
.25
---
P
.040
.050
1.02
1.27
See notes at end of figures.
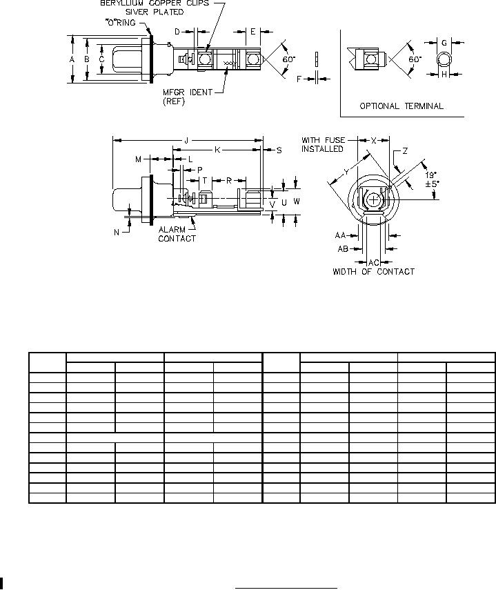
FIGURE 3. Fuse carrier for FHL57G.
3
For Parts Inquires call Parts Hangar, Inc (727) 493-0744
© Copyright 2015 Integrated Publishing, Inc.
A Service Disabled Veteran Owned Small Business